cutting edge Engineering

Pragmatic analysis and design to tackle complex, next-generation technology.

Providing expertise in:

Opto-mechanical Design
$0.00

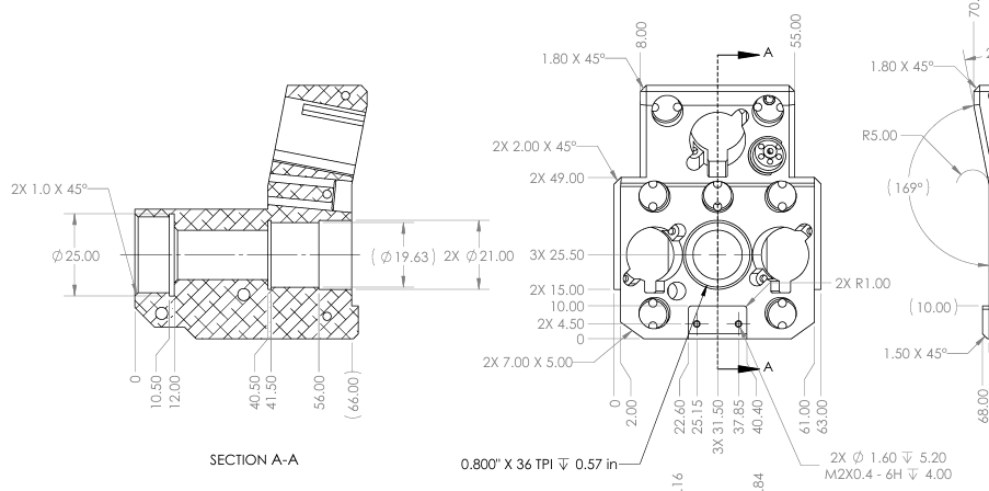
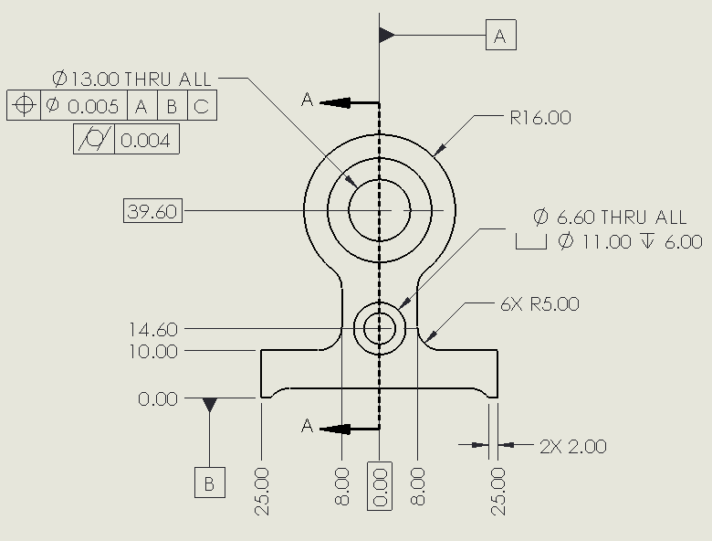
Opto-mechanical component and assembly design including: Kinematic interfaces, Geometric Dimensioning & Tolerancing, Tolerance Stack analysis, flexure design, Finite Element Analysis, fundamental mode analysis (vibration), gas purge, high-fluence light sources, LASERs (IR to Deep Ultra Violet), custom optics including unique coatings, interferometer fixturing, High-Vacuum Design

Manufacturing
$0.00

CNC and manual mill & lathe, 6-axis machining, Diamond Turning, custom optics with unique coatings, 3D printing (titanium, invar, fluoropolymers) SLS, SLA, mSLA, Sheet Metal, Vendor Management, system alignment and calibration, Reliability Testing, root-cause analysis, service manual writing

Mechanical Engineering
$0.00

Theoretical Evaluation, Load Calculation, Detailed Design Drawings, Plumbing & Instrumentation Diagrams, Engineering Change Orders, CAD

Who We Are

Mechanical Engineer with nearly fifteen years of experience developing complex industrial inspection capital-equipment, novel surgical devices and energetics manufacturing equipment. Designing electro-mechanical, opto-mechanical, metrology, spectroscopy, wafer processing and consumer products. Conceptual development, design, fabrication and testing of prototype and industrial photo microscopy and spectroscopy semiconductor equipment as well as custom optics. Project management as well as Personnel management such as Optical, Software, Test Engineers, Industrial Designers and Technical Writers.

Let’s Build What’s Next

Send us a message to ignite your next breakthrough project.